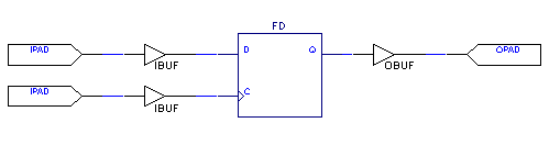
Figure 4.4 Correct Port Design (With Buffers)