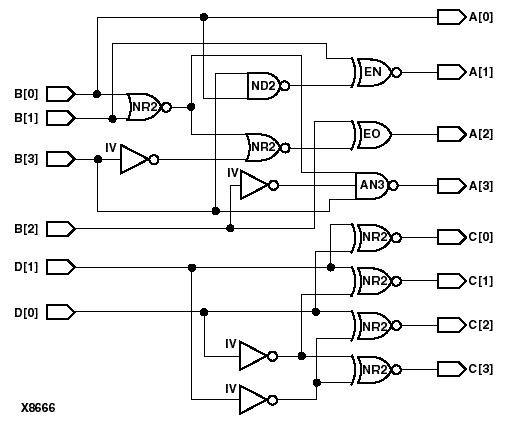
Figure 4.6 Design with Arithmetic Operators