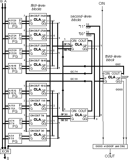
Figure A.16 Carry-Lookahead Adder Block Diagram