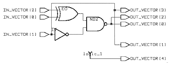
Figure A.20 Programmable Logic Array Schematic