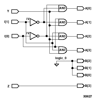
Figure 5.1 Design Illustrating Indexed Name Targets