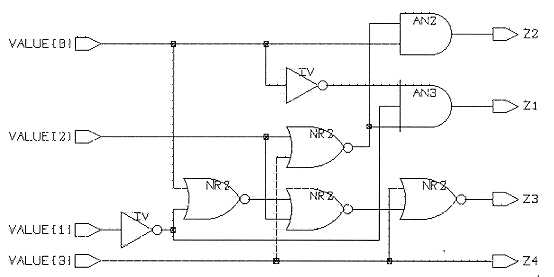
Figure 5.4 Circuit for case Statement with Integers