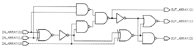
Figure 5.9 Circuit Design for Procedure Call to Sort an Array