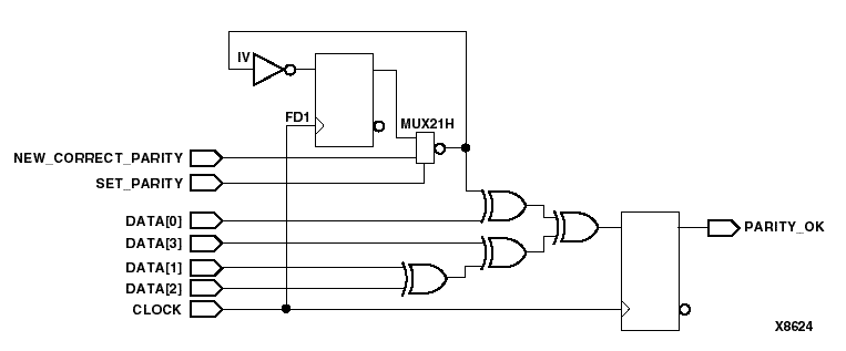
Figure 5.13 Circuit for Parity Tester Using the wait Statement