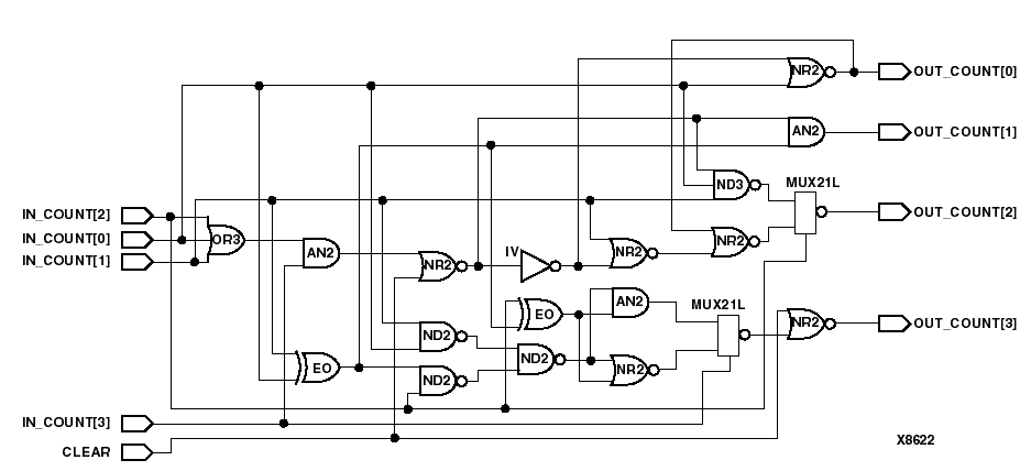
Figure 6.1 Modulo-10 Counter Process Design