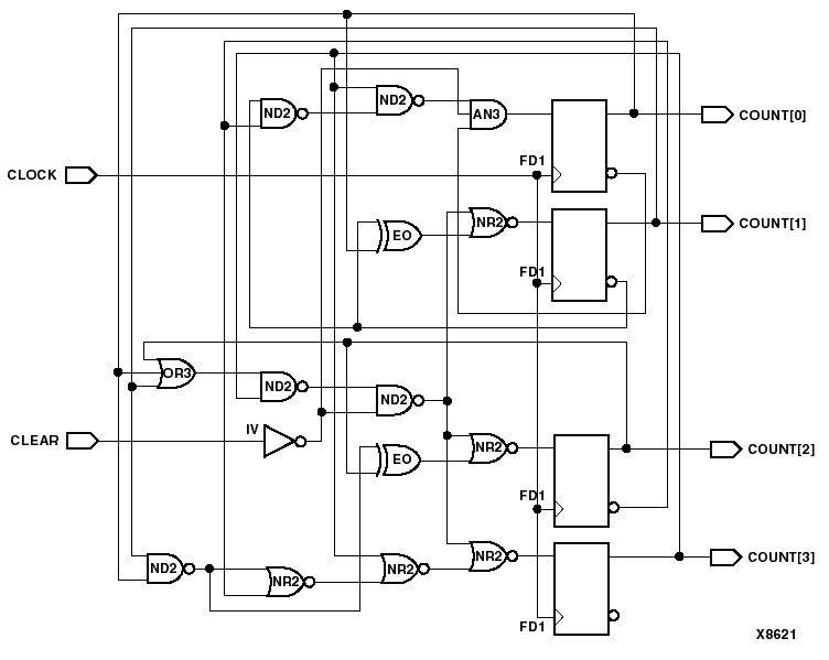
Figure 6.2 Modulo-10 Counter Process with wait Statement Design