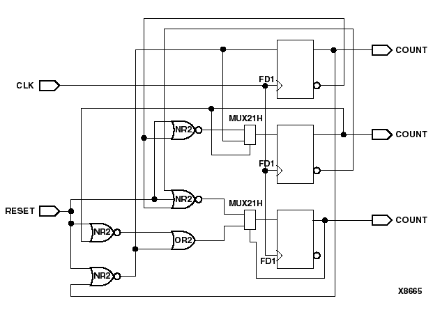
Figure 2.1 3-Bit Counter Synthesized Circuit