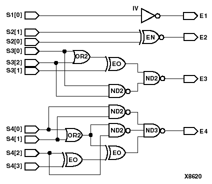
Figure 6.5 Concurrent CHECK Procedure Design