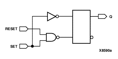
Figure 7.1 SR Latch