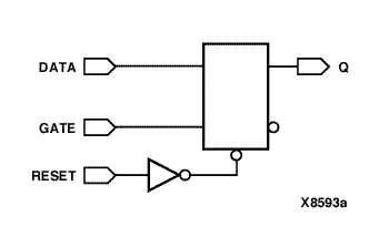
Figure 7.4 D Latch with Asynchronous Reset