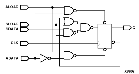
Figure 7.16 D Flip-Flop with Synchronous and Asynchronous Load