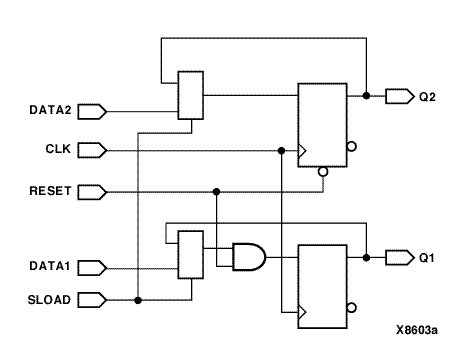
Figure 7.17 Multiple Flip-Flops with Asynchronous and Synchronous Controls