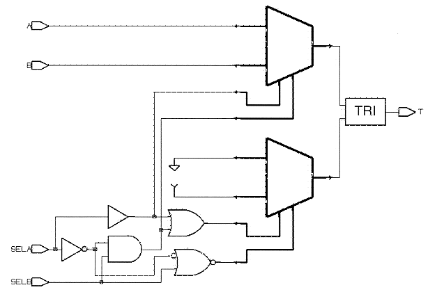
Figure 7.26 Inferring One Three-State Driver