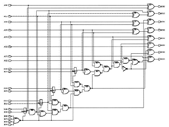
Function With One Adder Schematic

Figure 8.10 Function With One Adder Schematic