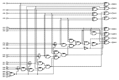
Using TEMP Declaration to Save Circuit Area

Figure 8.11 Using TEMP Declaration to Save Circuit Area