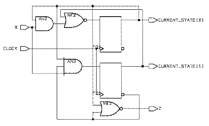
Figure 8.13 Schematic of an Improved State Machine