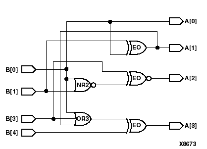
Figure 4.4 Design Illustrating Unary Negation