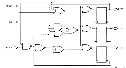
Figure 8.14 Schematic of Synchronous Counter with Reset and Enable