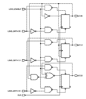
Figure 8.16 Design with Asynchronous Reset