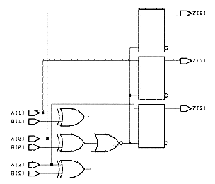
Figure 8.17 Schematic of Incorrect Asynchronous Design