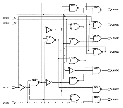
Figure 8.18 Seven-Segment LED Decoder with O LED Default