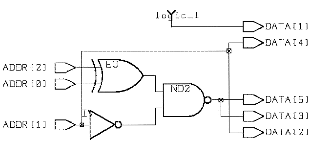
Figure A.6 ROM Schematic