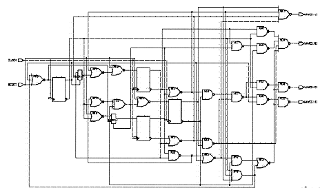
Figure A.8 Waveform Generator Schematic